Set Up the SCADAPack 575 Device
The figure below shows a typical SCADAPack 575 device.
In order to successfully complete this Quick Start Tutorial, you need to perform the following activities to prepare the device:
ELECTRICAL HAZARD
- On the back of the SCADAPack 575 device, ensure that the dip switch for analog input 1 is set in the position that enables the analog to support DC Current. For information about accessing and setting the dip switch, see the hardware documentation for the device.
- Use two lengths of insulated copper wire to connect analog output 1 to analog input 1 as follows:
- Connect AI 1+ to AO 1
- Connect AI 1- to AO COM.
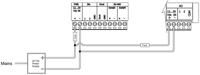
- Wire up the power input connectors for the analog outputs and the SCADAPack 575 device itself, but do not apply power until you perform the Cold Boot of the SCADAPack 575 device later in this procedure.
You can use the same power supply for both the analog outputs and the base board, but will need to fuse connection each separately.
NOTICEunintended equipment operation
Install an external 1.6 A fast-acting fuse on the input voltage side of the power supply connection.Install an external 0.063 A fast-acting fuse on the input voltage side of the analog output power supply connection.Failure to follow these instructions can result in equipment damage.
- Use a suitable Ethernet cable to connect the ClearSCADA server to the device's Ethernet Port 1 (labelled Eth1).
- Perform a Cold Boot of the SCADAPack 575 device:
- Remove power from the device.
- Hold down the Select button.
- Apply power to the device's base board and the analog outputs. (There is no On/Off switch on the device; it starts automatically when power is applied.)
- Continue holding down the Select button for 20 seconds until the Status LED begins blinking on and off. This indicates that the device is in Cold Boot mode. This is the mode that is required for this tutorial.
If you release the Select button before the Status LED begins blinking on and off, the device will start in Service Boot mode.
If you hold the Select button down for longer than 30 seconds, the device will start in Factory Boot mode.
To cancel the start-up mode selection, remove power from the device while the Select button is depressed.
- Release the Select button.
Now Create the Required Database Items for this tutorial.
Further Information
For more information about setting up a SCADAPack 575 device, see the hardware documentation for the device.